您当前的位置:
首页
>
新闻中心
>
通知公告
首页
>
新闻中心
>
通知公告
通知公告
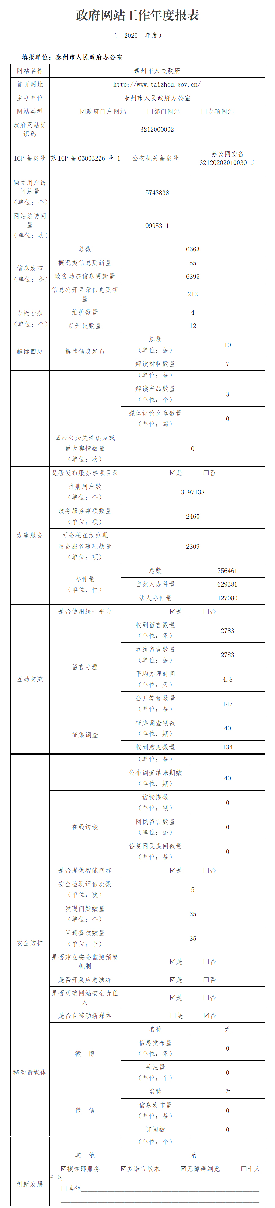
政府网站工作年度报表(2025年度)
信息来源:市政府办公室
发布日期:2026-01-21 10:51
浏览次数:
扫一扫在手机打开当前页
分享到
我要收藏
打印此页
关闭窗口